冷凝器自動在線膠球清洗裝置技術研究與工業應用
將國際上成熟的膠球除垢技術與特殊的冷換器水流定向切換和膠球收、放球技術進行有機的結合,通過不斷探索與實踐,發明了一種冷凝器自動在線膠球清洗裝置技術。該技術充分利用了循環水系統水壓動力,無需增加動力和放、收球設備,實現了冷凝器自動在線膠球清洗裝置?蓮V泛適用于煉油、化工、電力、紡織及造紙等使用管殼式冷換設備行業。通過現場中試與工業應用試驗,該項技術的應用已日趨完善,并已形成高新技術產品系列,有極大的推廣應用價值。
在煉油、化工、熱電及造紙等行業的生產過程中,換熱設備結垢問題一直是設備管理與維護的難題之一,對于裝置的長周期安全運行極為不利。結垢使得設備傳熱效率嚴重下降,能耗升高,產品質量降低,進而影響到裝置的平穩運行,結垢嚴重時還可造成設備堵塞,導致裝置停工停產。
目前,煉油及化工行業冷卻器的除垢與清洗主要采用2種方法,一是在循環水系統中投放水質穩定與阻垢劑(簡稱藥劑投放),二是在裝置停工時進行化學或機械清洗(包括高壓水槍清洗)。以上方法在多數應用場合中都存在一定問題。循環水系統進行藥劑投放時由于循環水系統較大,容易發生泄漏,且各類雜質進入系統造成水質惡化,藥劑投放難以控制,效果普遍不理想。停工清洗不能解決設備運行過程中由于結垢而引起設備傳熱效率下降及設備生產能力降低等問題,而且增加了不必要的檢修費,影響了設備的正常運轉周期。因此,要解決冷卻器的結垢問題,迫切需要研究一種現場實用且清洗效果好的冷卻器在線清洗技術。
1、冷凝器自動在線膠球清洗裝置技術
1.1換熱設備管壁污垢基本形式
換熱設備污垢主要有3種沉積方式:
①在高溫下,油品及有機介質連同其它雜質或是催化劑顆粒等發生凝聚后附著在管壁上的碳氫凝聚物污垢。
②由水垢結晶、各種腐蝕產物及雜質沉積的無機鹽污垢。
③由菌藻大量繁殖所致的生物粘附污垢。本研究的主要目標是解決冷卻器管內冷卻水系統中產生的管壁污垢(屬于無機鹽內的結晶及沉積污垢)的在線清洗問題。
1.2冷凝器自動在線膠球清洗裝置技術的提出
針對上述問題,筆者對現有冷卻器在線清洗技術進行了調查研究,結果發現,已在熱電行業凝汽器系統采用的海綿膠球在線清洗技術日益趨于成熟,但該項技術需要較復雜的放、收球旁路和動力系統,如果該技術在煉油化工裝置大量使用的管殼式冷卻器上使用將受到極大的限制。為此希望能采用一種能實用于管殼式冷卻器并簡化膠球放、收球旁路系統的技術,即將成熟的膠球除垢技術與特殊的冷卻器水流定向切換和膠球收、放球技術進行有機的結合,研制一種冷卻器膠球在線清洗器以及與其相配套的膠球在線清洗系統。利用循環水系統的水壓動力,無需增加動力和放、收球設備,便可實現冷凝器自動在線膠球清洗裝置。
1.3冷凝器自動在線膠球清洗裝置技術的清洗機理
(1)膠球清洗技術20世紀80年代此項技術先在國外發展起來,起初是在熱電行業凝汽器系統中使用,整套清洗裝置使用時需要配套膠球清洗泵及膠球收、放旁路設備。其機理是海綿膠球通過管子內微受壓縮,膠球受流體的推動力在管內流動,并借助海綿體的彈力對管壁施加壓力。此擠壓力不僅能很好削掉污垢,而且膠球和管內壁擠壓摩擦滑動,對污垢具有很好的研削效果。此外,膠球與污垢順管內流動,沿前方排出,對管壁具有很好的清洗和排污作用。
(2)冷凝器自動在線膠球清洗裝置技術該技術將膠球清洗除垢技術與特殊的水流定向切換技術和膠球收、放球技術進行了有機的結合。其工作原理是將膠球清洗器置于冷卻器系統的旁路中,利用循環水的系統動力,通過膠球在線清洗器換向手柄的定位轉動來改變水流的方向,膠球在水流的作用下對冷卻器進行反復清洗,清除管內污垢,并經排污管排放到系統外。該技術通過循環水系統自身的壓力來實現,避免了新增膠球泵及膠球收、放設備與旁路系統,簡化了清洗操作條件,節省了大量的人力、物力和財力,從而實現了冷卻器的在線清洗,確保了冷卻器高效長周期的安全運行。
2、冷凝器自動在線膠球清洗裝置技術研究
2.1設想與目標
該項技術研究主要解決清洗器結構設計和清洗器配套系統的流程設計兩個方面的問題。研制設計的清洗器結構必須能夠實現膠球除垢技術在連續不斷的除垢過程與特殊的冷卻器水流定向切換技術和膠球收、放球技術三者之間的有機結合,并確保清洗器結構穩定可靠、運轉自如。清洗器配套系統的流程設計必須能夠滿足冷卻器在正常運行條件下的自由切換,并通過利用循環水系統自身的壓力實現冷卻器的膠球在線清洗,確保膠球在線除垢效果好,閥門切換自如,取、排水穩定可靠,膠球收、放有續,而且整個切換、清洗及恢復的清洗操作全過程不能影響裝置的正常運行。
2.2膠球清洗器的初結構設計
作為此項技術的研究核心—清洗器的結構設計不僅要實現膠球除垢、水流定向切換和膠球收、放球三者之間的有機結合,而且還要與清洗系統相配套。在綜合了熱電行業冷凝器系統采用的海綿膠球在線清洗技術的基礎上,將可完成水流定向切換換向閥的結構設計引入本清洗器的結構中,在清洗器的內部裝上收、放球設施,依靠清洗器的定向轉動實現水流定向切換和膠球收、放球功能,利用循環水系統以及系統的自身壓力完成對冷卻器管束的正反向膠球循環清洗過程,經中試后反復修改定型。
2.3清洗器結構的設計定型
工業中試后結果表明,初設計的單倉內外層四通換向清洗器結構有3處需要加以改進:
①原清洗器內層設置了1個收、放球倉,而另一收、放球倉設置在冷卻器管箱內,這對冷卻器的正常運行產生不必要的影響,因此需將2個收、放球倉均設置在清洗器內層。
②清洗完畢后,膠球不應長期存放在清洗器內浸泡,因此考慮在清洗器上設置投、放球設施。
③清洗器采用直接手動換向,轉動力矩大,因此應考慮增設減力裝置。鑒于以上思路,對清洗器結構作了如下改進。
(1)單倉內外層四通換向清洗器結構改進將原結構改造成左、右兩倉五通換向結構,清洗器可實現左右雙向收、放球,消除了在冷卻器管箱內設置收、放球倉給冷卻器的正常運行產生不必要的影響,使清洗器運行更加可靠、實用。
(2)設置清洗器投、放球與觀察窗設施在清洗器兩換向口上、下部位分別設置了具有投、放球功能與觀察膠球運行的投、放球觀察窗,大幅提高了清洗器的使用功能。
(3)設置清洗器換向減力機構為清洗器換向系統門設計了一套齒輪減力裝置,解決了清洗器采用直接手動換向力矩較大的問題,其結構見圖1。
1.手柄2.濾套3.外套4.內套5.觀察窗6.軸與軸套圖1改進的清洗器結構示圖
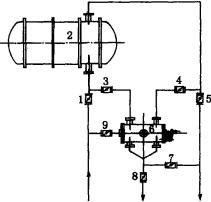
2.4定型的清洗系統流程
定型的清洗系統流程見圖2,主要由清洗器、配套管路以及閥門等組成,清洗時要求水流壓力大于0.4MPa,流速大于1.0m/s。
清洗前,打開清洗器左倉(右倉)投球蓋,按要求投放膠球后蓋上投球蓋。清洗時,打開側線9#清洗器進水閥,關閉主線上1#冷卻器進口閥和5#冷卻器出口閥,然后打開側線3#和4#清洗器切換閥,隨后打開8#清洗器排污閥。此時膠球在水流作用下形成正向清洗,冷卻水經側線9#清洗器進水閥進入清洗器左倉,膠球在水流作用下經側線3#清洗器切換閥1從冷換器管程底部入口處進入管程對管程的污垢進行清洗。隨后膠球隨水流(清洗污水)從冷換器管程頂部出口處經側線4#清洗器切換閥2進入清洗器右倉,污水從排污口排出。清洗一定時間后,清洗器手柄轉動90°,水流反向進入清洗器右倉,與上述過程相反,膠球在水流作用下形成反向清洗,膠球返回左倉。這樣正反向循環清洗多次,直到排污口出清水為止。清洗完畢后關閉排污口,冷卻器切換到正常狀態。
1.冷卻器進口閥2.冷卻器3.清洗器切換閥4.清洗器切換閥25.冷卻器出口閥6.清洗器7.清洗器切換閥38.清洗器排污閥9.清洗器進水閥
圖2定型清洗器系統流程
3、冷凝器自動在線膠球清洗裝置使用范圍及工業應用
3.1使用范圍
按冷換設備工藝分類,定型的冷換膠球在線清洗器主要適用于管內介質為冷卻水的冷卻器、冷凝器管內污垢的清洗;按換熱設備結構分類,主要適用于浮頭式、固定管板式系列換熱器管內介質為水的污垢清洗。
冷凝器自動在線膠球清洗裝置系列的主要參數見表1。值得一提的是該項清洗技術在煉油化工裝置中塔頂冷凝器系統的使用效果十分顯著,可免除生產過程中由于冷凝器結垢而引起的氣體介質冷凝效率下降、塔頂氣體壓力升高,進而影響裝置的安全生產和產品產量與質量等問題。
3.2工業試驗
2003年6月在某煉油廠氣分裝置選擇脫丙烷塔1組2臺串聯塔頂冷凝器(該部位共計3組6臺冷凝器),其型號為FLB900-240-25-Ⅱ(B=200),管程介質為循環水,進口溫度為28~32℃,出口溫度為40~42℃,操作壓力為0.45MPa,質量流量為150×103kg/h;殼程介質主要為C2+C3,進口溫度48~50℃,出口溫度為46~47℃,操作壓力為1.95MPa,質量流量25×103kg/h。在1組2臺串聯冷凝器管、殼程出入口管線上分別安裝精密水銀溫度計及超聲波流量計,通過測試冷卻器清洗前、后冷卻器管、殼程出入口介質溫度和流量數據,計算出總傳熱系數的變化,以檢驗清洗效果。其測試的平均結果見表2。
冷凝器運行3個月后進行了1次清洗測試,整個清洗過程中清洗后的循環水量略有增加,說明膠球無堵塞現象,且流道更為通暢。清洗前后總傳熱系數提高16.4%。清洗器現場操作切換自如,方便實用,清洗時間20min左右?蓮呐盼劭诿黠@觀察到排水由清水—黑水—黃泥水—清水的清洗過程。該清洗系統通過對該組冷凝器近2a在線清洗和運行,各項研究技術指標都已達到了研究目標與工業應用的條件,冷凝器自動在線膠球清洗裝置技術現場應用效果顯著。
4、經濟效益
冷卻設備的清洗是石油化工企業設備檢修與維護的重點,以該煉油廠為例,每次檢修清洗的冷卻設備都超過100臺,目前大部分設備都采用化學或機械清洗方法除垢,檢修費用很高,清洗1臺DN1000以上冷卻器的費用超過2萬元,僅此一項每次檢修費用要在幾百萬元,而且在運行過程中還不能滿足設備的長周期運行要求。據不完全統計,全國大中型石化企業有100多家,如在石化系統冷卻設備中采用膠球在線清洗技術,市場潛力預計為3~5億元以上。因此,在石油化工企業中全面推廣該項技術,在解決了冷卻器的清洗問題的同時,還可為石油化工裝置冷卻設備實現長周期高效運行提供技術上的保證。此外,該項利技術與配套的系列產品可形成一種新型的清洗技術服務產業,為企業的發展提供強有利的技術支撐。
5結語
(1)該技術充分利用了循環水系統自身的壓力,無需增加動力和放收球設備即可實現冷卻器膠球在線清洗。此項技術屬國內創,國際上尚未有類似技術,在冷卻器在線清洗行業屬國際領先水平,由此形成的高新技術產品系列由湖南匯智長天科技事業部在全國進行推廣。
(2)由于實現了冷凝器自動在線膠球清洗裝置,操作人員可根據冷卻器的結垢情況進行定時除垢,可將現有的脫除硬垢方式轉變為軟垢清洗,使冷卻器在運行過程中始終保持在清洗初始的換熱狀態,極大地提高了設備的傳熱效率、循環水的利用率及設備的運行周期?蓪⒗鋮s設備檢修周期從目前1~2a提高到5~6a,極大地節省設備的檢修費用。按正常設備全年平均除垢率80%以上計算,至少節省循環冷卻水15%。
(3)清洗器結構合理,操作方便且便于現場實施,每次清洗時間約20min,清洗費用低,清洗效果好。清洗器可做到按部位定點配置和系統聯用,降低了單臺設備的投資費用。
(4)由于冷卻器在運行的過程中始終保持在清洗初始的換熱狀態,極大一提高了設備的傳熱效率及循環水的利用率。